來源:遠東泵業 發布日期
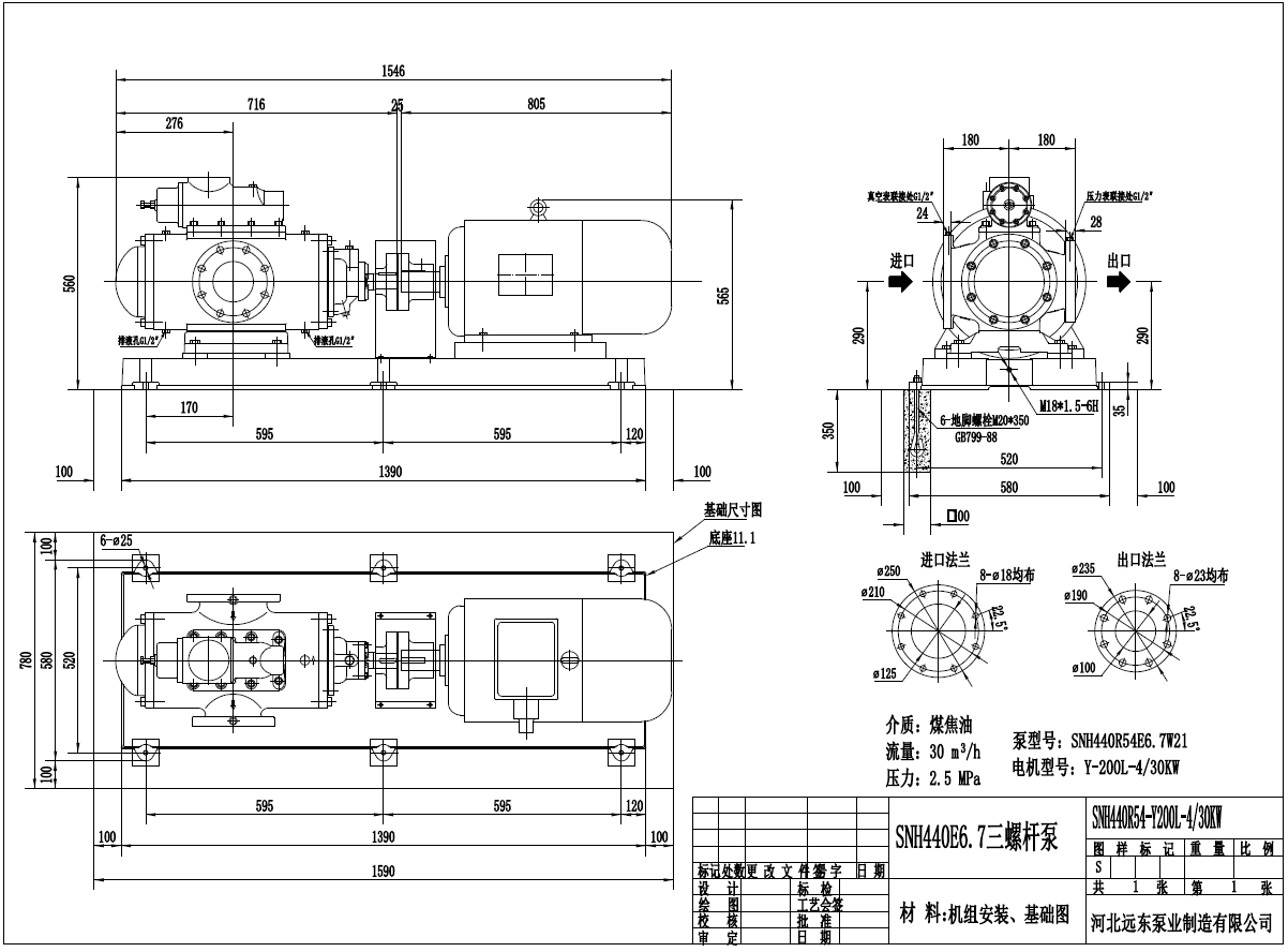
2019-03-09 13:56 瀏覽:-煤焦油輸送泵SNH440R46E6.7W212螺桿泵機組圖。重油煤焦油泵是為重油煤焦油的轉輸增壓噴射燃燒,重油煤焦油泵煤焦油深加工工藝過程中而特別設計的,適用于耐高溫200°C抗雜質性強,壓力穩定,保壓時間長等特點。本系列重油煤焦油泵使用壽命是同種一般齒輪泵的10倍以上。

【本文標簽】:齒輪泵型號 齒輪油泵價格 齒輪泵參數 齒輪泵型號大全
【責任編輯】:遠東泵業 版權所有:http://m.cdhte.com/轉載請注明出處