來源:遠東泵業 發布日期
2019-07-15 10:37 瀏覽:-柴油汽車槽車來卸油,卸油泵選擇多大的流量和揚程?卸車泵入口管徑一般取多大?是根汽車槽車的卸車口大小相對應碼?
汽車槽車的卸車口如果是DN65,那么它的卸車用的軟管的另一頭也能接DN80或者DN100的吧?前提是槽車自帶相應的軟管和快速接頭。
本設計打算用2臺卸車泵,設置6個接頭接汽車槽車,可以幾輛汽車一起卸油,也可一輛汽車單獨卸油,這樣的話卸車泵的流量怎么定?
臥式油泵,離心油泵,ISWB型油泵
一、HYZQ型臥式離心油泵概述
HYZQ防爆離心泵采用zui的水力模型,根據離心泵之性能參數和立式泵的特殊結構組合設計,并嚴格按照iso2858進行設計制造,該產品軸封選用硬質合金機械密封裝置,具有節能、性能可靠、安裝使用方便等特點。
二、HYZQ型離心油泵主要特點
HYZQ離心油泵運行平穩:泵軸的同心度及葉輪優異的動靜平衡,保證平穩運行,絕無振動。
離心油泵滴水不漏:不同材質的硬質合金密封,保證了不同介質輸送均無泄漏。
離心油泵噪音低:兩個低噪音的軸承支撐下的水泵,運轉平穩,除電機微弱聲響,基本無噪音。
離心油泵故障率低:結構簡單合理,關鍵部分采用*品質配套,整機無故障工作時間大大提高。
離心油泵維修方便:更換密封、軸承、簡易方便。
離心油泵占地更省:出口可向左、向右、向上三個方向,便管道布置安裝,節省空間。
三、HYZQ臥式防爆離心油泵主要用途
1、HYZQ型臥式離心泵供輸送清水及物理化學性質類似于清水的其它液體之用,適用于工業和城市給排水、高層建筑增壓送水、園林噴灌、消防增壓、遠距離輸送、暖通制冷循環、浴室等冷暖水循環增壓及設備配套,使用溫度t≤80℃。
2、HYZQ型熱水離心泵廣泛適用于:冶金、化工、紡織、造紙以及賓館飯店等鍋爐熱水增壓循環輸送及城市采暖系統,iswr型使用溫度t≤120℃。
3、HYZQ化工離心泵供輸送不含固體顆粒,具有腐蝕性、粘度類似于水的液體,適用于石油、化工、冶金、電力、造紙、食物制藥和合成纖維等部門,使用溫度為-20℃~+120℃。
4、HYZQ型離心油泵 供輸送汽油、煤油、柴油等油類產品或易燃、易爆液體,被輸送介質溫度為-20~ +120℃。
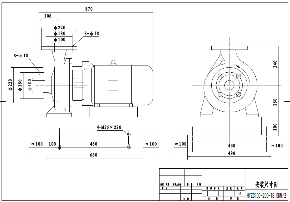
柴油裝車泵 型號:HYZC100-200-18.5KW-2P臥式離心油泵 數量:5臺
流量:80m3/h 揚程:37m 轉速:2900r/min 功率:18.5KW 進出口徑:DN100
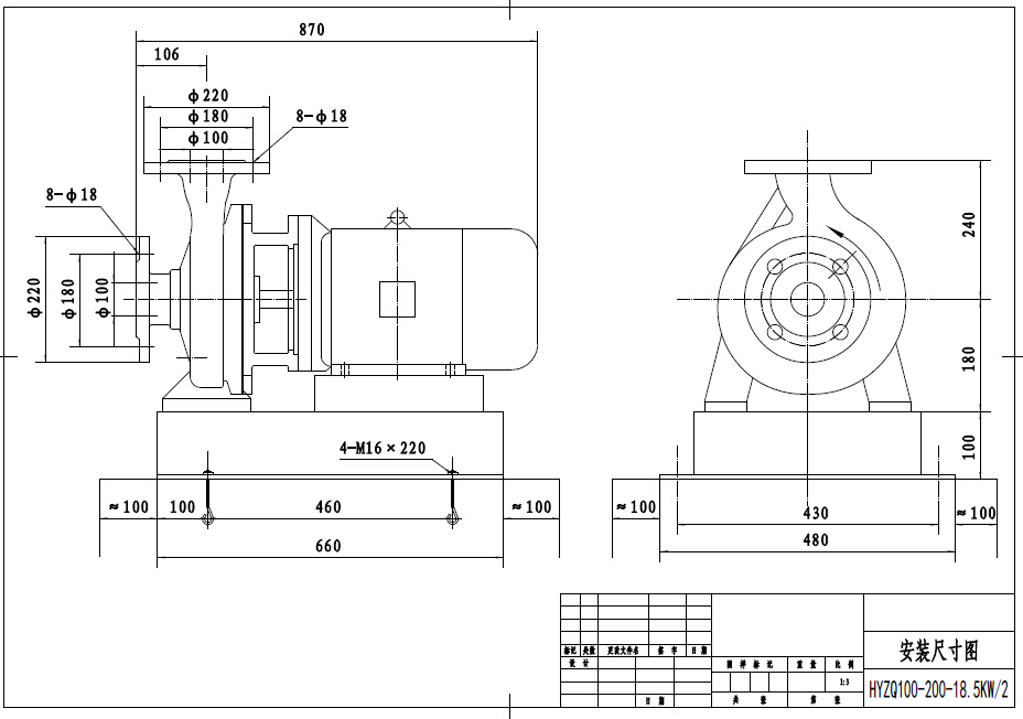
汽油裝車泵 型號:HYZQ100-200-18.5KW-2P臥式離心油泵 數量:5臺
流量:80m3/h 揚程:37m 轉速:2900r/min 功率:18.5KW 進出口徑:DN100
汽油卸車泵 型號:HYXQ100-125-15KW-2P 立式離心油泵 數量:4臺
流量:80m3/h 揚程:21.8m 轉速:2900r/min 功率:18.5KW 進出口徑:DN100
柴油卸車泵 型號:HYXC100-125-15KW-2P 立式離心油泵 數量:4臺
流量:80m3/h 揚程:21.8m 轉速:2900r/min 功率:18.5KW 進出口徑:DN100




遠東泵業30多年來一直堅持為客戶創造價值!
我們在努力了解您的需求,遠東泵業提供給您的不僅僅是產品,還有的流體輸送解決方案。為你解決流體輸送的難題,讓你省心又省力!如果有任何關于流體輸送泵的疑問,請立即撥打遠東泵業免費咨詢熱線:020-82375311,我們會為您提供貼心的服務!
全國服務熱線:020-82375311
聯系電話:020-82375311
傳真:020-82386622
聯系QQ:2853715911
公司地址:廣州市黃埔區黃埔東路621號
【本文標簽】:油罐車卸車泵 槽車卸車泵 油罐車裝車泵 槽罐車裝車泵
【責任編輯】:遠東泵業 版權所有:http://m.cdhte.com/轉載請注明出處